The work carried out by our partner, Fraunhofer EMI, over the past few months has produced initial results for assessing frequency stability in the Italian Demonstration case within the eFORT project. To this end, a series of dynamic disruption simulations were performed, and the corresponding results were evaluated in terms of frequency stability. All simulations and analysis were performed using the PyDyn-EMI simulation program developed in-house by Fraunhofer EMI.
The underlying grid is a section of the 20kV distribution grid in the region around Sarentino. Approximately ten thousand consumers are connected to this section of the grid, which are supplied via the transmission grid during normal operation. In the event of an imminent failure of the transmission grid, the distribution grid is to be operated as an island grid with the help of local renewable energy sources (RES) mainly hydro, biogas and photovoltaic generators.
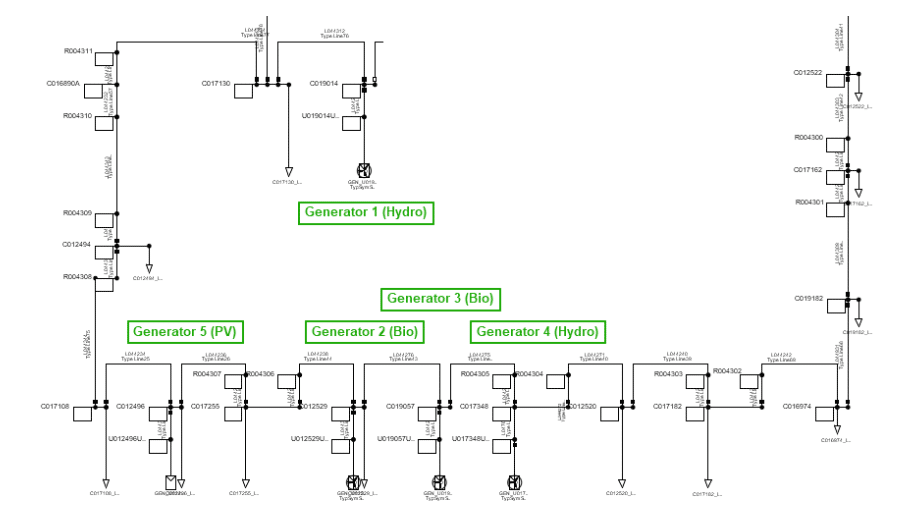
Groundwork by the other effort partners, Selta DP and LINKS, focused on the optimal segmentation of the distribution grid to form viable grid islands, taking online system conditions into account. Based on these results, one of the grid islands found was finally investigated from a dynamic point of view. Figure 1 shows the topology of a section of the distribution grid under consideration, which can be operated in isolation. It contains four conventional generators (hydro and biomass) and a PV system.

A task that precedes the frequency of stability assessment is the dynamic modeling of the connected generators, including their control and regulation components. This was carried out in the PyDyn-EMI simulation program.
In general, if there are several generators in the island grid and the grid is weakly coupled, power oscillations can occur between the generators. Initial simulations using standard models for the generators showed precisely such oscillations as shown in Figure 2. The implementation and targeted parameter setting of so-called power system stabilizers in each of the power plants effectively eliminated the oscillations (compare Figure 3), allowing the actual analysis task, namely the frequency stability assessment.


Another special feature of island grids is the typically high proportion of generators with low or even no inertia, which can lead to a reduction in frequency stability. This makes the investigation of frequency stability an increasingly important task. A central indicator in the context of evaluating frequency stability is the rate of change of frequency (rocof) immediately after a sudden active power imbalance occurs. Such imbalances can occur, for example, due to load steps or the outage of generators. Figure 4 shows the simulated frequency curve after the hypothetical failure of a hydroelectric power plant. The value in this example of 0.58 Hz/s is within a moderate range, based on typical limits for transmission grids. These are typically in the range of 1-2 Hz/s.

Further simulations will be carried out using more realistic generator models and underlying operating conditions to enable comprehensive and reliable assessments of the frequency stability of the islands.
Contact us
Follow us on: